1. Tuyển Mod quản lý diễn đàn. Các thành viên xem chi tiết tại đây

MẪU THIẾT KẾ 5 TẦNG NHÀ PHỐ ĐẸP CỔ ĐIỂN MẶT TIỀN 5M 5 PHÒNG NGỦ CÓ TẦNG TRỆT Ở HÀ NAM NP161507

Chủ đề trong 'Xây dựng' bởi kientrucstq, 20/07/2016.

  1. 1 người đang xem box này (Thành viên: 0, Khách: 1)
  1. kientrucstq

    kientrucstq Thành viên quen thuộc

    Tham gia ngày:
    14/07/2016
    Bài viết:
    102
    Đã được thích:
    0
    Mẫu 5 tầng nhà phố đẹp cổ điển mặt tiền 5m 5 phòng ngủ là sản phẩm tâm huyết của các kiến trúc sư công ty STQ thiết kế cho gia đình anh Tư ở Bình Lục, Hà Nam. Tìm hiểu các mẫu thiết kế nhà đẹp và các công ty kiến trúc có uy tín, anh Tư đã quyết định chọn công ty kiến trúc STQ thiết kế ngôi nhà tương lai cho gia đình. Trao đổi thẳng thắn về nguyện vọng và sở thích, các kiến trúc sư đã đưa ra bản thiết kế mẫu thiết kế nhà phố 5 tầng cổ điển mặt tiền 5m 5 phòng ngủ. Ngôi nhà mang phong cách của kiến trúc phương Tây, các đường nét trang trí đẹp mắt, sang trọng.

    Hãy cũng chúng tôi chiêm ngưỡng mẫu thiết kế 5 tầng nhà phố đẹp cổ điển mặt tiền 5m 5 phòng ngủ ở Hà Nam của gia đình anh Tư nhé!

    Thông số kỹ thuật của mẫu nhà phố 5 tầng cổ điển 5 phòng ngủ mặt tiền 5m NP161507
    1. Mẫu nhà phố: NP161507

    2. Số tầng: 5 tầng

    3. Chủ đầu tư: anh Tư

    4. Địa chỉ: Bình Lục, Hà Nam

    5. Mặt tiền: 5m

    6. Chiều sâu: 15m

    7. Kích thước ô đất: 90m2

    8. Kích thước xây dựng: 75m2

    9. Kiến trúc sư thiết kế: Phạm Thành Tư

    10. Kỹ sư kết cấu: Lê Văn Hưng

    11. Kỹ sư điện nước: Nguyễn Văn Cao

    12. Năm thi công: 2016

    13. Kinh phí đầu tư dự kiến: 1,9 tỷ VNĐ

    14. Thông số công năng diện tích:

    - Tầng trệt: 1 phòng kho, 1 phòng kinh doanh, 1 phòng vệ sinh chung - Diện tích: 75m2.

    - Tầng 1: 2 phòng ngủ có phòng vệ sinh khép kín - Diện tích: 75m2.

    - Tầng 2: 2 phòng ngủ có phòng vệ sinh khép kín - Diện tích: 75m2.

    - Tầng 3: 1 sân chơi, 1 phòng ngủ, 1 phòng vệ sinh chung - Diện tích: 75m2.

    - Tầng 4: 1 khu bếp, 1 phòng ăn, 1 phòng khách - Diện tích: 75m2.

    - Tầng 5: 1 sân sau, 1 kho, 1 phòng thờ, 1 sân thượng - Diện tích: 75m2.

    Ngắm nhìn nhà phố 5 tầng có tầng trệt cổ điển 5 phòng ngủ mặt tiền 5m đẹp ở Hà Nam
    [​IMG]

    View 1: Nhà phố 5 tầng cổ điển mặt tiền 5m ở Hà Nam

    Thiết kế 5 tầng nhà phố có tầng trệt 5 phòng ngủ hợp phong thủy
    Do anh Tư sinh năm 1984 (Giáp Tý) quẻ mệnh Đoài Kim, ngũ hàng là Hải Trung Kim (vàng trong biển) thuộc Tây Tứ Mệnh. Hướng nhà hợp với người mệnh Kim là hướng Tây Bắc (sinh khí), Đông Bắc (Diên Niên), Tây Nam (Thiên Y), hướng Tây (Phục Vị). Màu sắc tương sinh của mệnh Kim là màu vàng, nâu đất, màu trắng, màu ghi. Tương khắc là màu đỏ, màu hồng vì những màu này tượng trưng cho mệnh Hỏa mà Hỏa khắc Kim.

    Người mệnh kim nên lựa chọn cho mình những gam màu sáng và màu ánh kim vì màu trắng là màu của người mệnh Kim. Ngoài ra nên kết hợp với các gam màu nâu, màu vàng. Vì đây là những màu sinh vượng (Hoàng Thổ sinh Kim) đem lại niềm vui, sự may mắn cho gia chủ.

    Chính vì có những kiến thức sâu rộng về phong thủy nên các kiến trúc sư đã thiết kế cho gia chủ mẫu nhà phố 5 tầng cổ điển hướng Tây Bắc, tông màu ngoại thất chủ đạo là màu trắng. Màu trắng vừa tạo nên cái nhìn tươi mái, nhẹ nhàng vừa giúp tâm hồn thư thái, thoải mái mang đến tương lai rộng mở.

    Nhà phố 5 tầng đẹp mặt tiền 5m có tầng trệt sở hữu kiến trúc cổ điển
    Màu trắng được sử dụng làm gam màu chủ đạo cho không gian ngoại thất của mẫu nhà phố 5 tầng cổ điển mặt tiền 5m có tầng trệt càng tạo nên nét cổ điển cho nhà phố. Nhà phố 5 tầng mặt tiền 5m có tầng trệt sở hữu hình khối vuông vắn, thẳng đứng kết hợp với các gờ chỉ trang trí, các họa tiết hoa văn. Các cột trụ tuy được trang trí đơn giản nhưng vẫn tạo nên sự sang trọng, vẻ đẹp cho ngôi nhà. Lan can bằng thép ở trên các tầng mang đậm phong cách phương Tây.

    Thiết kế nhà phố 5 tầng đẹp 5 phòng ngủ có hệ cửa kính cường lực khung gỗ đẹp mắt. Cửa kính cường lực là loại kính bình thường được gia công ở 650 - 700 độ C nên nó có độ bền cao, chịu được nhiệt lớn và khó bị vỡ. Khung gỗ là loại gỗ cao cấp có độ chắc chắc cao, chống cong vênh, mối mọt. Sử dụng cửa kính cường lực khung gỗ vừa mang lại vẻ đẹp cho mẫu nhà vừa tạo nên sự bền cao, dễ lau chùi.

    Mặt bằng chi tiết của thiết kế 5 tầng nhà phố cổ điển có tầng trệt mặt tiền 5m 5 phòng ngủ của anh Tư
    [​IMG]

    Mặt bằng tầng trệt - Mẫu thiết kế 5 tầng nhà phố 5 phòng ngủ cổ điển 75m2

    Mặt bằng tầng trệt của nhà phố 5 tầng cổ điển đẹp 75m2 5 phòng ngủ
    Tầng trệt nhà phố 5 tầng bao gồm phòng kho, phòng vệ sinh chung, phòng kinh doanh.

    Để tận dụng không gian nhà của mẫu nhà phố 5 tầng mặt tiền 5m ở để kinh doanh, kiến trúc sư đã thiết kế phòng kinh doanh rộng rãi 45m2. Phòng kinh doanh được sử dụng để buôn bán và kinh doanh những sản phẩm mà gia đình yêu thích hoặc cũng có thể sử dụng để làm văn phòng làm việc.

    Phòng kho có diện tích 15,7m2 dùng để đựng những mặt hàng buôn bán hay các đồ dùng cũ không còn sử dụng, các đồ lưu niệm gắn với kỉ niệm của các thành viên trong gia đình mà gia chủ không muốn vất đi.

    Phòng vệ sinh chung được thiết kế ở gần cầu thang lên xuống thuận tiện cho việc sử dụng và đi lại.

    [​IMG]

    Mặt bằng tầng 1 - Nhà phố 5 tầng mặt tiền 5m cổ điển đẹp

    Mặt bằng tầng 1 - Nhà phố 5 tầng mặt tiền 5m cổ điển 5 phòng ngủ
    Hai phòng ngủ ở tầng 1 của mẫu nhà phố cổ điển 5 tầng có diện tích khác nhau. Phòng ngủ chính có diện tích lớn 40m2 là không gian riêng tư dành cho vợ chồng gia chủ. Ở phòng này có thiết kế hành lang đặt các chậu cây cảnh giúp cho không khí thêm trong lành và từ trong phòng ngủ có thể ngắm nhìn sựa tươi tốt, xanh mát của cây cảnh khiến cho tâm hồn được thoải mái và thư giãn. Cả hai phòng ngủ đều có phòng vệ sinh khép kín ở trong phòng.

    [​IMG]

    Mặt bằng tầng 2 - Thiết kế 5 tầng nhà phố cổ điển đẹp 75m2 5 phòng ngủ

    Mặt bằng tầng 2 của nhà phố 5 tầng 5x15m cổ điển có tầng trệt
    Hai phòng ngủ của tầng 2 được thiết kế giống như ở tầng 1 đều có nhà vệ sinh khép kín ở trong phòng. Việc thiết kế các phòng ngủ có phòng vệ sinh khép kín vừa tạo sự thoải mái trong quá trình sử dụng vừa có thể để cho thuê phòng, kinh doanh làm nhà nghỉ.

    Tất cả các phòng ngủ đều được bố trí các đồ nội thất tiện nghi, hiện đại như chiếc giường lớn, kệ để tivi, tủ đựng đồ, 1 chiêc bàn nhỏ. Phfong vệ sinh đồ dùng làm bằng sứ cao cấp có độ bền cao.



    [​IMG]

    Mặt bằng tầng 3 - Hình ảnh 5 tầng nhà phố đẹp cổ điển 5 phòng ngủ có tầng trệt

    Mặt bằng tầng tầng 3 của nhà phố đẹp cổ điển 5 phòng ngủ 75m2 có mặt tiền 5m
    Tầng 3 gồm 1 phòng ngủ, 1 sân phơi, 1 nhà vệ sinh chung. Phòng ngủ có phòng vệ sinh khép kín bao gồm những đồ nội thất sang trọng, tiện nghi, hiện đại. Sân phơi để phơi quần áo có để thêm máy giặt hay chỗ vui chơi, đùa nghịch của trẻ nhỏ. Phòng vệ sinh chung thiết kế gần cầu thang thuận tiện khi sử dụng và đi lại.

    [​IMG]

    Mặt bằng tầng 4 - Nhà phố 5 tầng cổ điển đẹp 5x15m 5 phòng ngủ

    Mặt bằng tầng 4 - Nhà phố 5 tầng cổ điển đẹp 5x15m 5 phòng ngủ có tầng trệt
    Khu bếp của nhà phố cổ điển 5 tầng được thiết kế tách biệt sang một bên và được ngăn với các phòng khác bằng cầu thang lên xuống. Khu bếp được bố trí dụng cụ nấu nướng hiện đại bằng inox là nơi nấu nướng đồ ăn cho cả gia đình.

    Phòng ăn ở ngay bên cạnh cầu thang là không gian để cả gia đình cùng nhau trò chuyện, quây quần bên những món ăn ngon, thấm đượm tình cảm. Phòng khách có ban công hướng ra ngoài bố trí các đồ nội thất như bộ bàn ghế sofa kích thước lớn, tủ đựng đồ, kệ để tivi, 2 chậu cây cảnh đặt ở 2 góc của căn phòng.

    [​IMG]

    Mặt bằng tầng thượng - Thiết kế 5 tầng nhà phố đẹp cổ điển diện tích 75m2 ở Hà Nam

    Mặt bằng tầng thượng - Thiết kế 5 tầng nhà phố cổ điển mặt tiền 5m
    Thiết kế phòng thờ ở tầng thượng mang đậm đặc trưng trong văn hóa, phong tục của người Việt. Vì người xưa quan niệm phòng thờ nên để trên cao để thông thoáng và không bị cản trở hay bị đè bẹp bởi phòng nào. Không gian phòng thờ trở nên thiêng liêng, nơi thờ cúng ông bà tổ tiên, con cháu cầu mong an lành, hạnh phúc và tưởng nhớ đến những nhớ, biết ơn.

    Sân thượng và sân sau là nơi để trẻ em vui đùa hoặc cả gia đình có thể cùng nhau lên đây tập thể dục buổi sáng hay ngắm cảnh vào buổi tối. Phòng kho cất giữ đồ dùng không cần thiết của gia đình.

    [​IMG]

    Mặt bằng tầng mái - Nhà phố 5 tầng cổ điển mặt tiền 5m 5 phòng ngủ

    Mặt bằng tầng mái - Nhà phố 5 tầng cổ điển mặt tiền 5m 5 phòng ngủ

    Thiết kế nhà phố 5 tầng cổ điển có mái bằng làm bằng bê tông cốt thép để các tét nước và bình năng lượng mặt trời.

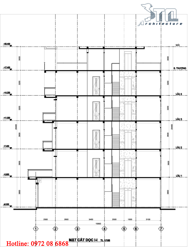
    [​IMG]

    Mặt cắt dọc của mẫu thiết kế 5 tầng nhà phố cổ điển mặt tiền 5m 5 phòng ngủ

    Mặt cắt của nhà phố 5 tầng cho ta thấy được các phòng được bố trí hợp lí, tỉ lệ chiều cao các tầng được phân bố cân đối. Chiều cao tầng trệt, tầng 1, tầng 2 là 3,6m; chiều cao tầng3 và tầng 4 là 3,2m; chiều cao tầng thượng là 3m.

    Mẫu thiết kế 5 tầng nhà ở đẹp cổ điển mặt tiền 5m 5 phòng ngủ có tầng trệt 75m2 đảm bảo các yêu cầu về kĩ thuật cũng như mặt bằng công năng. Ngôi nhà mang vẻ đẹp hoàn mĩ với khối kiến trúc cổ điển, trang trí đẹp mắt và nổi bật với gam màu trắng tinh khiết. Quý vị còn chần chừ gì nữa mà không liên hệ với chúng tôi để được tư vấn miễn phí và nhận những mẫu thiết kế nhà đẹp khác.

    CÔNG TY CỔ PHẦN XÂY DỰNG VÀ KIẾN TRÚC STQ

    Địa chỉ: 51/71 HOÀNG VĂN THÁI - THANH XUÂN - HÀ NỘI

    Hotline: 097 208 6868 -KIENTRUCSTQ@gmail.com

Chia sẻ trang này